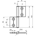
Hinge components
Stückzahl/Box
Last max.
Bitte Komponenten einzeln bestellen
Quantity/box
Load max.
Kindly order each component separately
10
150 N