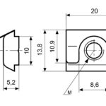
Roll-in t-slot nut
Stückzahl/Box
Gewicht/Stk.
Gewicht/Box
Anwendung
Zur Befestigung von Elemnten, einschwenkbar auch in geschlossener Profilstruktur, mit Führungssteg
Quantity/box
Weight/pc
Weight/box
Application
To make solid connections. Can be rolled-in also into a closed structure, with self-aligning support
100
7,90 – 8,55 g
0,790 – 0,855 kg